
Kahe küttekehaga boilerid
Põrandapealne. Kaudseks kütmiseks. Sobib päikesekütte- ja ruumiküttesüsteemidele.

Energiasäästlikkus

Hea välimus
Lihtne paigaldus

Mugav ülevaatuseks

Lisaseadmed elektriküteks
Omadused
- Kõrge tõhususega isolatsioon ja PVC materjalist väline korpus RAL 9006 värviga.
- Temperatuurianduri paigaldamiseks erinevate asukohtade võimalus.
- Kompleksne korrosioonikaitse, mis on teostatud titaankatte ja anoodkaitse abil.
- Kõik keermed on sisemised.
- Lihtne paigaldamine.
- Mugav hooldusava.
- Saadaval modifikatsioonid nii vertikaalses kui ka horisontaalses asendis.
- Kaks soojusvahetit võimaldavad paagil kasutada väliseid taastuvenergia allikaid, nagu päikeseküttesüsteem ja biomassi katel.
- Valikuline elektrilise kütte komplekt nimivõimsusega 3 kW, 4,5 kW, 6 kW või 7,5 kW.
Suurused, liitrites:
- Vertikaalsed mudelid:
150, 200, 300, 400, 500, 750, 1000, 1500, 2000. - Horisontaalsed mudelid:
300, 500, 1000, 1500.
Energiasäästlikkus
- Direktiiv 2010/30/EL, Määrus 812/2013:
- Klass C

Elemendid
- Esteetiline PVC kattega korpus värviga RAL 9006
- Kõrge efektiivsusega soojusisolatsioon
- Termomeeter
- Anoodkaitse (DIN 4753-6)
- Elektriline küttekeha
- Madala süsinikusisaldusega terasest veepaak
- Titaankate (DIN 4753-3)
- Kattega hooldusava
- Termostaat integreeritud ülekuumenemiskaitsega
- Ohutusventiil, 8 baari
- Alumine soojusvaheti S1
- Ülemine soojusvaheti S2

Tehnilised andmed
Vertikaalsed mudelid

| Parameeter | Units | SON 150 | SON 200 | SON 300 | SON 400 | SON 500 | SON 750 | SON 1000 | SON 1500 | SON 2000 |
|---|---|---|---|---|---|---|---|---|---|---|
| Maht | L | 150 | 200 | 300 | 400 | 500 | 750 | 1000 | 1500 | 2000 |
| Kõrgus / Paigalduse kõrgus | H, mm | 1070/1210 | 1340/1460 | 1420/1580 | 1490/1670 | 1720/1890 | 2000/2030 | 2050/2080 | 2310/2370 | 2310/2370 |
| Diameeter | D, mm | Ø 560 | Ø 560 | Ø 660 | Ø 750 | Ø 750 | Ø 950 | Ø 1050 | Ø 1050 | Ø 1350 |
| Soojustuse paksus | 50 mm rigid PU | 100 mm soft PU, removable | 100 mm soft PU, removable | 100 mm soft PU, removable | 100 mm soft PU, removable | 100 mm soft PU, removable | 100 mm soft PU, removable | 100 mm soft PU, removable | 100 mm soft PU, removable | |
| Rõhk / maks. temperatuur | bar/°C | 8/95 | 8/95 | 8/95 | 8/95 | 8/95 | 8/95 | 8/95 | 8/95 | 8/95 |
| Test rõhk | bar | 13 | 13 | 13 | 13 | 13 | 13 | 13 | 13 | 13 |
| Elektriline soojenduselement (valikuna) | kW | 2 x (3÷6) | 2 x (3÷6) | 2 x (3÷6) | 2 x (3÷7.5) | 2 x (3÷7.5) | 2 x (3÷7.5) | 2 x (3÷7.5) | 3 x (3÷7.5) | 4 x (3÷7.5) |
| Kaal | kg | 65 | 82 | 118 | 160 | 185 | 263 | 315 | 423 | 761 |
| Külma vee sisend | A, mm | Rp1”/202 | Rp1”/202 | Rp1”/215 | Rp11/4”/270 | Rp11/2”/270 | Rp11/2”/300 | Rp11/2”/320 | 2xRp11/2”/320 | 2xRp11/2”/385 |
| Kuuma vee väljund | B, mm | Rp1”/895 | Rp1”/1138 | Rp1”/1182 | Rp11/4”/1240 | Rp11/2”/1455 | Rp11/2”/1630 | Rp11/2”/1700 | 2xRp11/2”/1975 | 2xRp11/2”/1885 |
| Taastsirkulatsioon | R, mm | Rp3/4”/788 | Rp3/4”/987 | Rp3/4”/957 | Rp1”/1090 | Rp1”/1206 | Rp1”/1405 | Rp1”/1487 | Rp1”/1487 | Rp1”/1265 |
| Töö rõhk / Maks. soojusvaheti temp. S1/S2 | bar/°C | 16/110 | ||||||||
| Test rõhk S1/S2 | bar | 25 | ||||||||
| spiraali maht S1/S2 | L | 4.56/2.47 | 5.55/3.70 | 7.40/5.55 | 9.25/6.17 | 11.10/7.40 | 12.95/8.63 | 16.65/11.72 | 18.50/11.72 | 25.28/18.50 |
| Soojusvaheti mindala S1/S2 | m² | 0.74/0.4 | 0.9/0.6 | 1.2/0.9 | 1.5/1 | 1.8/1.2 | 2.1/1.4 | 2.7/1.9 | 3/2.5 | 4.1/3 |
| Alumise spiraali sisend S1 | S1i, mm, Rp1” | 592 | 692 | 805 | 850 | 960 | 970 | 1070 | 1170 | 1265 |
| Alumise spiraali väljund S1 | S1o, mm, Rp1” | 202 | 202 | 215 | 270 | 270 | 300 | 320 | 320 | 385 |
| Ülemise spiraali sisend S2 | S2i, mm, Rp1” | 874 | 1112 | 1170 | 1210 | 1350 | 1560 | 1660 | 1800 | 1885 |
| Ülemise spiraali väljund S2 | S2o, mm, Rp1” | 674 | 812 | 894 | 952 | 1062 | 1160 | 1210 | 1350 | 1420 |
| Pikendatud võimsus vastavalt DIN 4708-le; 80°C/60°C/45°C, S1 | kW (m³/h) | 25(0.61) | 29(0.71) | 53(1.30) | 62(1.52) | 72(1.77) | 80(1.97) | 105(2.58) | 131(3.22) | 180(4.42) |
| Pikendatud võimsus vastavalt DIN 4708-le; 80°C/60°C/45°C, S2 | kW (m³/h) | 15(0.37) | 18(0.44) | 21(0.52) | 27(0.66) | 34(0.84) | 50(1.23) | 62(1.52) | 74(1.82) | 110(2.70) |
| NL – võimsuse koefitsient 60°C juures, S1/S2 | NL 60°C | 2.5/1 | 4.5/1.5 | 11/2 | 13/2.2 | 18/2.8 | 32/10 | 42/28 | 64/34 | 80/55 |
| Rõhu langus Δp, S1/S2 | Δp, mbar | 65/48 | 75/55 | 120/70 | 180/80 | 210/90 | 210/150 | 260/110 | 310/260 | 420/300 |
| Anduri manšett termostaadi jaoks. | G, mm, Rp1/2” | 741 | 912 | 985 | 1040 | 1160 | 1288 | 1360 | 1487 | 1685 |
| Õhu vent | F, mm, Rp1” | 1070 | 1340 | 1410 | 1480 | 1710 | 1950 | 2020 | 2320 | 2311 |
| Ülevaatuse ava/luuk | O, mm, Ø, mm | 180/309 Ø 110 | 180/309 Ø 110 | 180/320 Ø 110 | 180/450 Ø 110 | 180/450 Ø 110 | 280/450 Ø 200 | 280/460 Ø 200 | 280/460 Ø 200 | 560/555 Ø 400 |
| Äravool | Y, mm, Rp1” | 30 | 30 | 30 | 30 | 30 | 30 | 30 | 30 | 30 |
| Termomeeter | T, mm, Rp1/2” | 895 | 1138 | 1170 | 1210 | 1453 | 1630 | 1700 | 1975 | 1835 |
| Anoodi kaitse | P, mm, Rp11/4” | 1070 | 1340 | 1410 | 1337 | 1568 | 1728 | 1785 | 2 x 2090 | 2 x 2003 |
| Elektrilise elemendi manšett veepaagi korpusel | U, mm, Rp11/2” | 645 | 752 | 852 | 901 | 1011 | 1040 | 1140 | 2 x 1220 | 2 x 1340 |
| Elektrilise elemendi manšett kontrollaugu luuk | Uo, mm, Rp11/2” | 309 | 309 | 320 | 450 | 450 | 450 | 460 | 460 | 2 x 555 |
| Lisa anduri kate | Z, mm, Rp1/2” | 352/631 | 302/752 | 320/852 | 450/901 | 450/1011 | 535/1040 | 520/1140 | 520/1220 | 745/1340 |
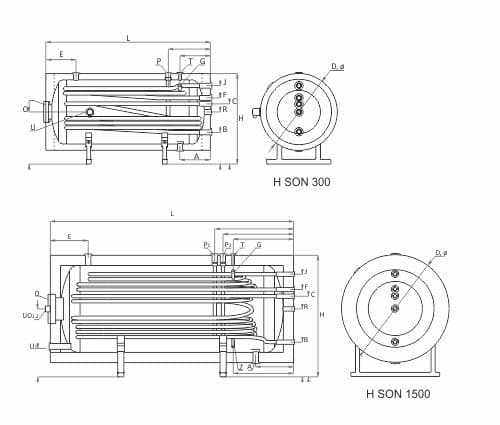
Horisontaalsed mudelid

| Parameeter | Mõõdud | HSON 300 | HSON 500 | HSON 1000 | HSON 1500 |
|---|---|---|---|---|---|
| Capacity | (L) | 300 | 500 | 1000 | 1500 |
| Height / Length | H, L, mm | 790/1410 | 890/1710 | 1190/2080 | 1190/2380 |
| Diameter | D, mm | Ø 660 | Ø 750 | Ø 1050 | Ø 1050 |
| Insulation | 50 mm rigid PU | 100 mm soft PU, removable | 100 mm soft PU, removable | 100 mm soft PU, removable | |
| Oper. pressure / max. temperature | bar/°C | 8/95 | 8/95 | 8/95 | 8/95 |
| Test pressure of tank | bar | 13 | 13 | 13 | 13 |
| Electric heating element (optional) | kW | 1 x (3÷7.5) | 1 x (3÷7.5) | 2 x 7.5 | 3 x 7.5 |
| Weight | kg | 118 | 185 | 315 | 423 |
| Cold water inlet | A, mm | Rp1”/260 | Rp11/2”/270 | Rp11/2”/360 | Rp11/2”/360 |
| Hot water outlet | B, mm | Rp1”/260 | Rp11/2”/270 | Rp11/2”/320 | Rp11/2”/320 |
| Recirculation | R, mm | Rp1”/465 | Rp1”/515 | Rp1”/665 | Rp1”/665 |
| Operating pressure / Max. Coils temp. S1/S2 | bar/°C | 16/110 | 16/110 | 16/110 | 16/110 |
| Test pressure S1/S2 | bar | 25 | 25 | 25 | 25 |
| Coil capacity S1/S2 | L | 7.40/5.55 | 11.10/7.40 | 16.65/11.72 | 18.50/15.42 |
| Heat exchange surface S1/S2 | m² | 1.2/0.9 | 1.8/1.2 | 2.7/1.9 | 3/2.5 |
| Lower coil inlet/outlet S1i/S1o | S1i, S1o, mm, Rp1” | 535/290 | 585/325 | 790/340 | 790/340 |
| Upper coil inlet/outlet S2i/S2o | S2i, S2o, mm, Rp1” | 697/610 | 785/655 | 1005/855 | 1005/855 |
| Prolonged power acc. to DIN 4708; 80°C/60°C/45°C, S1/S2 | S1/S2, kW (m³/h) | 53(1.30)/21(0.52) | 72(1.77)/34(0.84) | 105(2.58)/62(1.52) | 131(3.22)/74(1.82) |
| NL – power coefficient at 60°C, S1/S2 | S1/S2, NL 60°C | 11/2 | 18/2.8 | 42/28 | 64/34 |
| Pressure drop Δp, S1/S2 | S1/S2, Δp, mbar | 120/70 | 210/90 | 260/210 | 310/260 |
| Sensor sleeve for thermostat | G, mm, Rp1/2” | 260 | 270 | 360 | 360 |
| Inspection opening/Flange | O, mm, Ø, mm | 180/465 Ø 110 | 180/515 Ø 110 | 280/665 Ø 200 | 280/665 Ø 200 |
| Thermometer | T, mm, Rp1/2” | 260 | 270 | 360 | 580 |
| Anode protector | P, mm, Rp11/4” | 360 | 370 | 460 | 2 x 690/770 |
| Sleeve for Electric element on water tank body | U, mm, Rp11/2” | Rp11/2” /465 | Rp11/2” /515 | 2 x Rp11/2” /665 | 2 x Rp11/2” /665 |
| Sleeve for Electric element on inspection opening flange | Uo, mm, Rp11/2” | Rp11/2” /280 | |||
| Additional sensor sleeve | Z, mm, Rp11/2” | - | - | 360 | 580 |