
Kahe küttekehaga boilerid
Põrandapealne. Kaudseks kütmiseks. Sobib päikesekütte- ja ruumiküttesüsteemidele.

Energiasäästlikkus

Hea välimus
Lihtne paigaldus

Mugav ülevaatuseks

Lisaseadmed elektriküteks
Omadused
- Kõrge efektiivsusega isolatsioon ja PVC materjalist välimine kest RAL 9006 värvitoonis. Temperatuurianduri paigaldus.
- Komplekne korrosioonikaitse, mis on teostatud titaanemaili ja anoodkaitse abil.
- Kõik keermed on sisemised.
- Lihtne paigaldus.
- Mugav inspekteerimisava.
- Saadaval modifikatsioonid vertikaalse ja horisontaalse orientatsiooniga.
- Soojusvaheti spiraal võimaldab mahutil kasutada välist taastuvenergiat, nagu päikesesüsteem või biomassikatel.
- Valikuline komplekt elektrilise kütmise jaoks nimivõimsusega 3kW, 4,5kW, 6kW või 7,5kW.
Suurused, liitrites:
- Vertikaalsed mudelid:
150, 200, 300, 400, 500, 750, 1000, 1500, 2000. - Horisontaalsed mudelid:
300, 500, 1000, 1500.
Energiasäästlikkus
- Direktiiv 2010/30/EL, Määrus 812/2013:
- Klass C

Elemendid
- Esteetiline PVC kate värviga RAL 9006
- Kõrge efektiivsusega soojusisolatsioon
- Termomeeter
- Anoodkaitse (DIN 4753-6)
- Elektriline küttekeha
- Madala süsinikusisaldusega terasest veepaak
- Titaanemail (DIN 4753-3)
- Kattega inspekteerimisava
- Termostaat integreeritud soojuskaitsega
- Ohutusventiil, 8 bar
- Alumine spiraal S1

Tehnilised andmed
Vertikaalsed mudelid

| Parameter | SN 150 | SN 200 | SN 300 | SN 400 | SN 500 | SN 750 | SN 1000 | SN 1500 | SN 2000 |
|---|---|---|---|---|---|---|---|---|---|
| Capacity (L) | 150 | 200 | 300 | 400 | 500 | 750 | 1000 | 1500 | 2000 |
| Height / Mounting height (H, mm) | 1070/1210 | 1340/1460 | 1420/1580 | 1490/1670 | 1720/1890 | 2000/2030 | 2050/2080 | 2310/2370 | 2310/2370 |
| Diameter (D, mm) | Ø 560 | Ø 560 | Ø 660 | Ø 750 | Ø 750 | Ø 950 | Ø 1050 | Ø 1050 | Ø 1350 |
| Insulation | 50 mm rigid PU | 100 mm soft PU, removable | 50 mm rigid PU | 100 mm soft PU, removable | 50 mm rigid PU | 100 mm soft PU, removable | 50 mm rigid PU | 100 mm soft PU, removable | 50 mm rigid PU |
| Oper. pressure / max. temperature (bar/°C) | 8/95 | 8/95 | 8/95 | 8/95 | 8/95 | 8/95 | 8/95 | 8/95 | 8/95 |
| Test pressure of tank (bar) | 13 | 13 | 13 | 13 | 13 | 13 | 13 | 13 | 13 |
| Electric heating element (optional) (kW) | 2 х (3÷6) | 2 x (3÷6) | 2 x (3÷6) | 2 x (3÷7.5) | 2 x (3÷7.5) | 2 х (3÷7.5) | 4 x (3÷7.5) | 5 x (3÷7.5) | 5 x (3÷7.5) |
| Weight (kg) | 59 | 73 | 104 | 145 | 167 | 242 | 286 | 392 | 712 |
| Cold water inlet (A, mm) | Rp1”/202 | Rp1”/202 | Rp1”/215 | Rp11/4”/270 | Rp11/2”/270 | Rp11/2”/300 | Rp11/2”/320 | 2 х Rp11/2”/320 | 2 х Rp11/2”/385 |
| Hot water outlet (B, mm) | Rp1”/868 | Rp1”/1140 | Rp1”/1170 | Rp11/4”/1204 | Rp11/2”/1453 | Rp11/2”/1630 | Rp11/2”/1700 | 2 х Rp11/2”/1975 | 2 х Rp11/2”/1885 |
| Recirculation (R, mm) | Rp3/4”/450 | Rp3/4”/500 | Rp3/4”/663 | Rp1”/673 | Rp1”/831 | Rp1”/1405 | Rp1”/1487 | Rp1”/1487 | Rp1”/1635 |
| Oper. pressure / max. Coil temp. S1 (bar/°C) | 16/110 | 16/110 | 16/110 | 16/110 | 16/110 | 16/110 | 16/110 | 16/110 | 16/110 |
| Test pressure S1 (bar) | 25 | 25 | 25 | 25 | 25 | 25 | 25 | 25 | 25 |
| Coil capacity S1 (L) | 4,56 | 5,55 | 7,40 | 9,25 | 11,10 | 12,95 | 16,65 | 18,50 | 25,28 |
| Heat exchange surface S1 (m²) | 0,74 | 0,9 | 1,2 | 1,5 | 1,8 | 2,1 | 2,7 | 3 | 4,1 |
| Coil inlet S1i (mm, Rp1”) | 592 | 692 | 805 | 850 | 960 | 970 | 1070 | 1170 | 1265 |
| Coil outletS1o (mm, Rp1”) | 202 | 202 | 215 | 270 | 270 | 300 | 320 | 320 | 385 |
| Prolonged power acc. to DIN 4708; 80°C/60°C/45°C, S1 (kW, m³/h) | 25(0.61) | 29(0.71) | 53(1.30) | 62(1.52) | 72(1.77) | 80(1.97) | 105(2.58) | 131(3.22) | 180(4.42) |
| NL – power coefficient at 60°C, S1 | 2,5 | 4,5 | 11 | 13 | 18 | 32 | 42 | 64 | 80 |
| Pressure drop Δp, S1 (mbar) | 65 | 75 | 120 | 180 | 210 | 210 | 260 | 310 | 420 |
| Sensor sleeve for thermostat (G, mm, Rp1/2”) | 738 | 892 | 995 | 950 | 1168 | 1435 | 1487 | 1487 | 1685 |
| Air vent (F, mm, Rp1”) | 1070 | 1340 | 1410 | 1480 | 1710 | 1950 | 2020 | 2320 | 2311 |
| Inspection opening/Flange (O, mm, Ø, mm) | 180/309 Ø 110 | 180/309 Ø 110 | 180/320 Ø 110 | 180/450 Ø 110 | 180/450 Ø 110 | 280/450 Ø 200 | 280/460 Ø 200 | 280/460 Ø 200 | 560/555 Ø 400 |
| Drain sleeve (Y, mm, Rp1”) | 20 | 20 | 20 | 20 | 20 | 20 | 40 | 40 | 30 |
| Thermometer (T, mm, Rp1/2”) | 868 | 1138 | 1170 | 1204 | 1453 | 1630 | 1700 | 1975 | 1835 |
| Anode protector (P, mm, Rp11/4”) | 1070 | 1340 | 1410 | 1079 | 1340 | 1435 | 1570 | 2 х 1570/1650 | 2 х 1625/1705 |
| Sleeve for Electric element on water tank body (U, mm, Rp11/2”) | Rp11/2” /680 | Rp11/2” /850 | Rp11/2” /850 | Rp11/2” /900 | Rp11/2” /1130 | Rp11/2” /1040 | 2 х Rp11/2” /1145 | 2 х Rp11/2” /1220 | 2 х Rp11/2” /1330 |
| Sleeve for Electric element on inspection opening flange (Uo, mm) | Rp11/2” /309 | Rp11/2” /309 | Rp11/2” /320 | Rp11/2”/ 450 | Rp11/2” /450 | Rp11/2” /450 | 2 х Rp11/2” /460 | 3 х Rp11/2” /460 | 3 х Rp11/2”/ 555 |
| Additional sensor sleeve (Z, mm, Rp1/2”) | 422 | 392 | 407 | 450 | 568 | 535 | 520 | 520 | 745 |
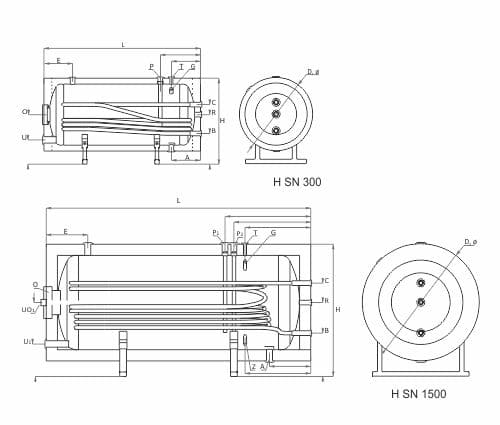
Horisontaalsed mudelid

| Parameeter | Mõõdud | HSN 200 | HSN 300 | HSN 500 | HSN 1000 | HSN 1500 |
|---|---|---|---|---|---|---|
| Capacity | (L) | 200 | 300 | 500 | 1000 | 1500 |
| Height / Length | H, L, mm | 695/1340 | 790/1410 | 890/1710 | 1190/2080 | 1190/2380 |
| Diameter | D, mm | Ø 560 | Ø 660 | Ø 750 | Ø 1050 | Ø 1050 |
| Insulation | 50 mm rigid PU | 100 mm soft PU, removable | 100 mm soft PU, removable | 100 mm soft PU, removable | 100 mm soft PU, removable | |
| Oper. pressure / max. temperature | bar/°C | 8/95 | 8/95 | 8/95 | 8/95 | 8/95 |
| Test pressure of tank | bar | 13 | 13 | 13 | 13 | 13 |
| Electric heating element (optional) | kW | 2 x (3÷7.5) | 2 x (3÷7.5) | 2 x (3÷7.5) | 2 x (3÷7.5) | 3 x (3÷7.5) |
| Weight | kg | 73 | 104 | 167 | 286 | 392 |
| Cold water inlet | A, mm | Rp1”/220 | Rp1”/260 | Rp11/2”/270 | Rp11/2”/360 | Rp11/2”/360 |
| Hot water outlet | B, mm | Rp1”/220 | Rp1”/260 | Rp11/2”/270 | Rp11/2”/320 | Rp11/2”/320 |
| Recirculation | R, mm | Rp1”/420 | Rp1”/465 | Rp1”/515 | Rp1”/665 | Rp1”/665 |
| Oper. pressure / max. Coil temp.S1 | bar/°C | 16/110 | 16/110 | 16/110 | 16/110 | 16/110 |
| Test pressure S1 | bar | 25 | 25 | 25 | 25 | 25 |
| Coil capacity S1 | L | 5,55 | 7,40 | 11,10 | 16,65 | 18,50 |
| Heat exchange surface S1 | m² | 0,9 | 1,2 | 1,8 | 2,7 | 3 |
| Coil inlet | S1i, mm, Rp1” | 540 | 535 | 585 | 790 | 790 |
| Coil outlet | S1o, mm, Rp1” | 290 | 290 | 325 | 340 | 340 |
| Prolonged power acc. to DIN 4708; 80°C/60°C/45°C, S1 | kW (m³/h) | 29(0.71) | 53(1.30) | 72(1.77) | 105(2.58) | 131(3.22) |
| NL – power coefficient at 60°C, S1 | NL 60°C | 4,5 | 11 | 18 | 42 | 64 |
| Pressure drop Δp, S1 | Δp, mbar | 260 | 260 | 310 | 260 | 310 |
| Sensor sleeve for thermostat | G, mm, Rp1/2” | 220 | 260 | 270 | 360 | 360 |
| Inspection opening/Flange | O, mm, Ø, mm | 180/420 Ø 110 | 180/465 Ø 110 | 180/515 Ø 110 | 280/665 Ø 200 | 280/665 Ø 200 |
| Thermometer | T, mm, Rp1/2” | 220 | 260 | 270 | 360 | 580 |
| Anode protector | P, mm, Rp11/4” | 320 | 360 | 370 | 460 | 2 x 690/770 |
| Sleeve for Electric element on water tank body | U, mm, Rp11/2” | Rp11/2” /240 | Rp11/2” /238 | Rp11/2” /245 | Rp11/2” /280 | 2 x Rp11/2” /280 |
| Sleeve for Electric element on inspection opening flange | Uo, mm, Rp11/2” | Rp11/2” /420 | Rp11/2” /465 | Rp11/2” /515 | Rp11/2” /665 | Rp11/2” /665 |
| Additional sensor sleeve | Z, mm, Rp11/2” | - | - | - | 360 | 580 |